• 91视频免费版下载,91视频下载网站,91视频免费黄片,91视频免费看黄片

    歡迎來到硬齒麵91视频下载网站廠家山東91视频免费版下载傳動設備股份有限公司網站!

    聯係91视频免费版下载

    AK係列齒輪減速電動機

    • 產品分類: 齒輪91视频下载网站
    • 生產廠家: 山東91视频免费版下载傳動設備股份有限公司
    • 價格: 來電谘詢
    • 添加時間: 19/11/06
    • 點擊次數:  
    • 二 維 碼:

      手機瀏覽

      更方便

    產品詳情

    AK係列齒輪減速電動機是參照JB/T6447-92標準設計、製造,井符合1EC標準的新產品。它由拖動電動機與齒輪減速裝置藕合而成,具有結構緊湊、體積小、重量輕、噪聲低、振動小、效率高等特點,是理想的低速動力源。廣泛應用於冶金、礦山、輕工、化工、鋼鐵、水泥、紡織、印染、製糖、食品。橡膠、醫藥。包裝、建築、起重運輸、農機等行業,並可供引進設備的配套與維修。

    根據用戶需要,尚可配套多速、效率高、直流等各類電動機,並可根據用戶要求。裝置直流電磁製動器或單向停止器以及各種編碼器等。

    防護等級因所配電動機而異,可為|p44或|P54等,冷卻方法為1C0141。

    本係列減速電動機齒輪的參數經優化設計.采用高質量合金鋼經鍛造、製齒井賦予嚴格的熱處理;齒輪經瑞士REISHAUER公司的蝸杆砂輪磨齒機磨削加工,精度達GB/T10095.1 ~2-2001的5級。機座用高強度鑄鐵製成,有底腳、法蘭兩種結構。

    減速裝置的效率不低於92%。

    底腳安裝齒輪91视频下载网站有兩個機加工的底腳安裝,法蘭安裝有F和GZ兩種法蘭可供選擇,GZ法蘭隻有空心軸方式,本係列91视频下载网站有多種安裝方式和方位。

    使用條件

    環境溫度:在-15C°-+40C。條件下額定運行;

    海拔:不超過1000m;

    顓定電壓: 380V;

    額定頻率: 50Hz:

    接法: 3kW及以下為Y.4KW及以上為△接法:

    工作方式:連續(S1 )。

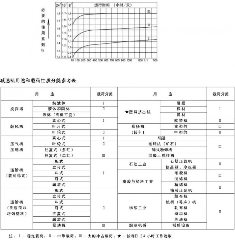
    選型指南

    AK使用係數fB

    在確定使用係數之前先確定一天的運行小時數,每小時的起停次數和負載類型。其中負載類型按下列公式計算



    tags:AK係列齒輪減速電動機廠家,AK係列齒輪減速電動機價格
    點擊次數:   更新時間:19/11/06 10:48:11   【打印此頁】   【關閉【返回上一頁】
    聯係91视频免费版下载
    業務谘詢:13386433069
    聯係電話:0533-4110000
    傳真號碼:0533-4132808
    電子信箱:ajf@ajf.cn
    公司地址:淄博市博山區北山路76號
    手機站
    網站地圖